Products List 


 

     ELED-0700120S              

 

     ELED-0700030SP

 

     ELED-0700040S

 

 

 

 

 

 

 

 

 

Description

 

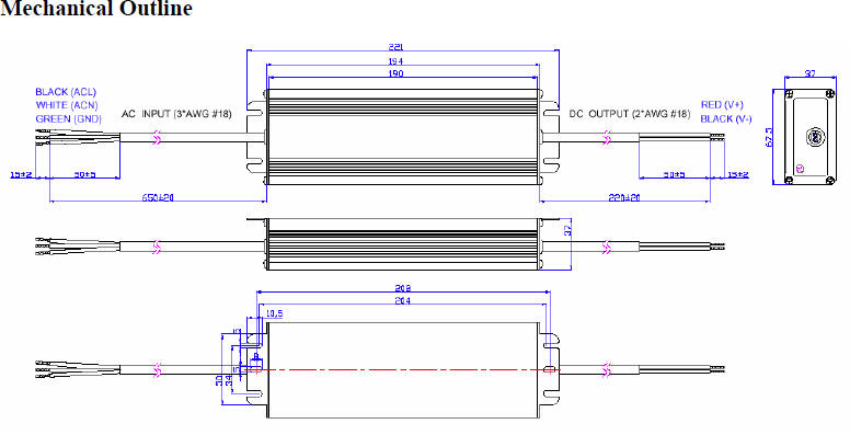
    ELED-0700120-S is a fully enclosed compact solid-state LED lighting driver module. It operates from a universal AC input supply in the range of 90VAC to305VAC, 50/60Hz to drive a string of LEDs with active power factor correction. These units will provide 6 x350mA of output current and a max mum output voltage of 18~58V for 120W maximum output power.  They are designed to be highly efficient and highly reliable. The standard features include lighting protection, over voltage protections, short circuit protection, and over temperature protection. Control terminal leads include a dimming input BRITE A with a dedicated RETURN lead. The amplitude of the output LED string current will vary from 10% to 100% corresponding to a 1VDC to 10VDC signal on the BRITE A input following the 0V to 10V ESTA E1.3-2001 Analog To reduce audible noise the internal switching frequency remains above 30kHz. Safety features include open output circuit protection, whole string short circuit protection. The maximum allowable hot spot case temperature is 90°C (above this temperature the module will be thermally self protected). The recommended operating ambient temperature range is -30°C to 70°C, as long as the maximum case temperature is not exceeded. The compact enclosure is rated to IP66, meets UL8750 and UL1310 class 2.

Features

Ultra High Efficiency (Up to 92%)

Active Power Factor Correction (0.99 Typical)

Constant Current Output

Lightning Protection

All-Round Protection: SCP, OTP, OVP

Waterproof (IP67)

Comply With UL8750 & EN61347 Safety Regulation

Applications

Residential and Commercial LED

• Lighting Fixtures such as:

• LED Down Lights

• LED Street Ligh

















您可以免费下载下面相关技术资料(Adobe Acrobat PDF 格式), 从这里下载免费的 Acrobat Reader软件 

 

 

产品简介

 

 技术参数说明书

ELED-0700120S 产品简介

ELED-0700120S  技术参数说明书

版权所有:苏州奥曦特电子科技有限公司
  
copyright: Su Zhou Aoxite Tech Co, Ltd       All right reserved.
 地址:苏州竹园路209
号      邮编:215000